Lähetä meille sähköpostia
Tuotteet
Tac pneumaattinen kytkentäventtiili
  • Tac pneumaattinen kytkentäventtiiliTac pneumaattinen kytkentäventtiili

Tac pneumaattinen kytkentäventtiili

Ammattimaisena valmistuksena OLK haluaa tarjota sinulle tac pneumaattisen kytkentäventtiilin. Ja OLK tarjoaa sinulle parhaan myynnin jälkeisen palvelun ja oikea-aikaisen toimituksen.

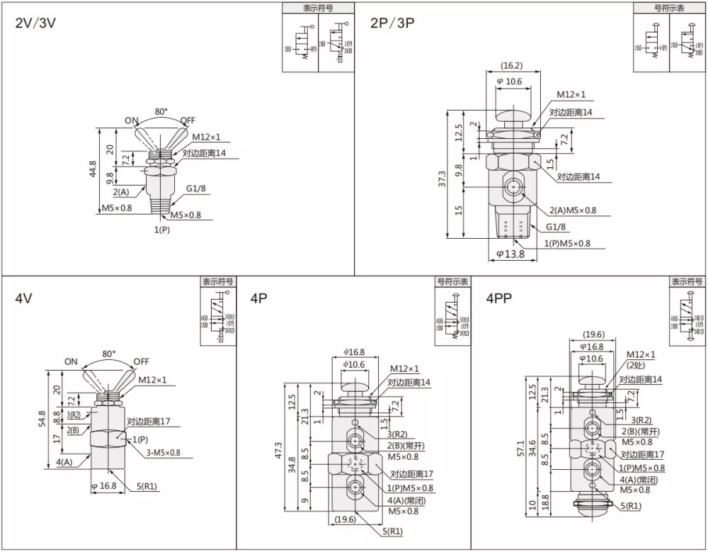
TAC -pneumaattinen kytkentäventtiili (tunnetaan myös kytkinventtiilinä) on tarkkuuskytkentäkomponentti, joka on erityisesti suunniteltu pneumaattisille järjestelmille ja nesteen hallintaan. Ainutlaatuisella kytkentätyyppisellä ohjausrakenteellaan se saavuttaa nesteen polkujen nopean kytkemisen ja tarkan hallinnan.

TAC -sarjan kytkentäventtiilissä on 2 sijaintia 2 -tapaa, 2 sijaintia 3 -tapaa ja 2 sijaintia 5 -tapaa voidaan valita. Eri viputyyppiset ja kahden tyyppiset säie: M5, G1/8.

Sovellusskenaariot

Teollisuusautomaatiolaitteet, mekaaninen käsittely, rakennusmateriaalien käsittely, energia ja kaivostoiminta, ruoka- ja juomateollisuus, lääketieteelliset laitteet jne.

Tuoteominaisuudet

Se on pieni koko, vaatii vähän asennustilaa, ja se on intuitiivista toimia manuaalisesti, joten se sopii skenaarioihin, jotka vaativat usein vaihtamista.

TAC Vaihda venttiilin symboli ja ääriviivat

Omituiskoodi

TAC

2

__

2

P

 

 

 

 

 

TAC -sarjan kytkentäventtiili

 

 

2: 2 asennus 2 tapaa (M5)

P: Push-Pull-painiketyyppi

 

 

 

3: 2 sijainti 3 -tapaa (M5)

V: Käsiviputyyppi

 

 

 

4: 2 Sähkö 5 -tapaa (M5)

PP: Tupla-pull-painike

 

 

 

31: 2 sijainti 3 -tapa (G1/8)

 

 

 

 

41: 2 Sähkö 5 -tapaa (G1/8)

 

 

Malli

Satamakoko

 

Määrä
asuva

Tehokas  
poikkileikkausalue

Painealue

Neste

Ympäröivä
Lämpötila

 

TAC-2V

Sisääntulo = ulostulo = m5   

2 asento 2 -tapaa

1,9 mm²

0,05 ~ 0,9PPA

Ilma

0 ~ 60

TAC-2P

Sisääntulo = ulostulo = m5   

2 asento 2 -tapaa

1,9 mm²

TAC-3V

Sisääntulo = ulostulo = m5   

2 sijainti 3 -tapaa

1,9 mm²

TAC-3P

Sisääntulo = ulostulo = m5   

2 sijainti 3 -tapaa

1,9 mm²

TAC-4V

Sisääntulo = ulostulo = m5   

2 Asema 5 -tapaa

1,9 mm²

TAC-4P

Sisääntulo = ulostulo = m5   

2 Asema 5 -tapaa

1,9 mm²

4pp

G1/8

 

2 Asema 5 -tapaa

4,5 mm²

TAC2-31V

Sisääntulo = poistoaukko = pako = g1/8   

2 sijainti 3 -tapaa

4,5 mm²

TAC2-31P

Sisääntulo = poistoaukko = pako = g1/8   

2 sijainti 3 -tapaa

4,5 mm²

TAC2-41V

Sisääntulo = poistoaukko = g1/8 pakokaasu = m5

2 Asema 5 -tapaa

4,5 mm²

TAC2-41P

Sisääntulo = poistoaukko = g1/8 pakokaasu = m5

2 Asema 5 -tapaa

4,5 mm²

TAC2-41pp

Sisääntulo = poistoaukko = g1/8 pakokaasu = m5

2 Asema 5 -tapaa

4,5 mm²

UKK:

Mikä on ero kytkentäventtiilin ja mekaanisen venttiilin välillä?

Se voidaan erottaa vaihtoventtiilin ja mekaanisen venttiilin avulla ohjaustyypin mukaan: Vaihtoventtiili on pind-vivun pitotyyppi, mekaaninen venttiili on push-pull-painiketyyppi tai rullatyyppi

 

Mikä on ero kytkentäventtiilin ja muiden venttiilien välillä?

Tarkka ohjaus: Vaihtoventtiilit saavuttavat hienon virtauksen säätelyn kartiomaisen venttiilin ytimen läpi, joka sopii tarkkaan ohjaukseen pienen halkaisijan putkistoissa, kun taas palloventtiilit sopivat paremmin nopeaan avaus- ja sulkemisoperaatioihin.

Hot Tags: Tac pneumaattinen kytkentäventtiili, Kiina, valmistaja, toimittaja, tehdas
Lähetä kysely
Yhteystiedot
Tervetuloa sivuillemme! Jos haluat tiedustella tuotteitamme tai hinnastoa, jätä meille sähköpostiosoitteesi, niin otamme sinuun yhteyttä 24 tunnin sisällä.
Sähköposti
cici@olkptc.com
mobiili
+86-13736765213
Osoite
Zhengtai Road, Xinguang Industrial Zone, Liushi, Yueqing, Wenzhou, Zhejiang, Kiina.
X
Käytämme evästeitä tarjotaksemme sinulle paremman selauskokemuksen, analysoidaksemme sivuston liikennettä ja mukauttaaksemme sisältöä. Käyttämällä tätä sivustoa hyväksyt evästeiden käytön. Tietosuojakäytäntö
Hylätä Hyväksyä