Lähetä meille sähköpostia
Tuotteet
Xq -nopea pakoventtiili
  • Xq -nopea pakoventtiiliXq -nopea pakoventtiili
  • Xq -nopea pakoventtiiliXq -nopea pakoventtiili

Xq -nopea pakoventtiili

Model:XQ170600
OLK on yksi ammattimaisista XQ -nopean pakoventtiilin valmistajista ja toimittajista Kiinassa. Tuotteemme ovat CE -sertifioituja ja niissä tehtaalla, tervetuloa tukkumyynnistä XQ -nopeaan pakoventtiiliin meiltä.

OLK XQ Pikapoistoventtiili on venttiili, joka tyhjentää paineistetun kaasun automaattisesti poistoaukosta, kun sisääntulopaine laskee tiettyyn arvoon. Kun sisääntulossa on ilmanpaine, venttiilin ydin (yksisuuntainen tiivistysrengas tai kalvo) työnnetään auki, sulkemalla pakoportti ja ulostulosta poistoaukosta. Kun sisääntulo tyhjennetään, poistopaine työntää venttiilin ydin tiivistämään sisääntulon ja poistokaasu kaatataan nopeasti pakoportin läpi. XQ Quick Pakoteventtiili tarjoaa viisi yhteyskokovaihtoehtoa: M5, G1/8, G1/4, G3/8 ja G1/2.

Sovellus ja varotoimenpiteet XQ -nopeaan pakoventtiiliin:

XQ Pikavakausventtiiliä käytetään tilanteissa, joissa pneumaattisia komponentteja ja laitteita on poistettava nopeasti. Jos sylinteri asennetaan sylinterin ja suuntaventtiilin väliin, sylinteri kaatakaa suoraan XQ -nopean pakoventtiilin läpi suuntaventtiilin sijasta, lisäämällä merkittävästi sylinterin liikkeenopeutta. Tämä vaikutus on erityisen havaittavissa, kun putkilinja sylinterin ja venttiilin välillä on pitkä. Jos suuntaventtiilin poistoportti on suuri ja liiton putki sylinterin ja venttiilin välillä on lyhyt, nopea pakoventtiilin asentaminen on tarpeetonta.

Nopean pakokaasun saavuttamiseksi nopeaa pakoventtiilin sisääntulon paine on tyhjennettävä nopeasti, joten pakokaasun kulku tuloaukossa (suuntaventtiilin ja nopea pakoventtiili) on estävä.

Varmista, että sylinterillä on riittävä tyynyskyky, kun käytetään XQ -nopeaa pakoventtiiliä.



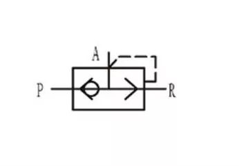
XQ Quick Release -venttiilisymboli

Tilauskoodi:
XQ17 0600
Malli: XQ Series 3/2 Way Quick Pakoteventtiili Portin koko:

0600: G1/8

0800: G1/4

1000: G3/8

1500: G1/2

2000: G3/4

2500: G1

XQ Quick pakoventtiilin yleiset parametrit

Eritelmä

Satamakoko

Poraus (mm)

Virtaus (m³/min)

Kestävyys (x10⁴ syklit)

Käyttöpainealue (MPA)

Vastausaika (t)

XQ-M5

M5

4

≥ 200

0,12 ~ 1,0

≤ 0,03

XQ170600

G1/8

6

≥ 0,3

≤ 0,03

XQ170800

G1/4

6

≥ 0,9

≤ 0,03

XQ171000

G3/8

8

≥ 2,5

≤ 0,04

XQ171500

G1/2

15

≥ 4,5

≤ 0,05

XQ172000
G3/4


XQ172500 G1




UKK:

Mikä on XQ -nopea pakoventtiili?

Vähennä ilmankulutusta ja paranna pneumaattisten järjestelmien energiatehokkuutta:

Ilmosylinterin XQ -nopea pakoventtiilin vaikutuksen vuoksi pneumaattisen sylinterin on käytettävä vain pientä määrää paineilmaa liikkumisen aikana purkamatta suurta määrää ilmaa ympäristöön. Tämä auttaa vähentämään järjestelmän ilmankulutusta ja parantamaan pneumaattisen järjestelmän energiatehokkuutta.


Mitä tulisi huomata asennettaessa XQ -nopea pakoventtiili?

Varmista, että venttiilin asennussuunta on oikea, yleensä merkitty p (sisääntulo), A (poisto) ja R (pakoportti)








Hot Tags: XQ Quick Pakoteventtiili, Kiina, valmistaja, toimittaja, tehdas
Lähetä kysely
Yhteystiedot
Tervetuloa sivuillemme! Jos haluat tiedustella tuotteitamme tai hinnastoa, jätä meille sähköpostiosoitteesi, niin otamme sinuun yhteyttä 24 tunnin sisällä.
Sähköposti
cici@olkptc.com
mobiili
+86-13736765213
Osoite
Zhengtai Road, Xinguang Industrial Zone, Liushi, Yueqing, Wenzhou, Zhejiang, Kiina.
X
Käytämme evästeitä tarjotaksemme sinulle paremman selauskokemuksen, analysoidaksemme sivuston liikennettä ja mukauttaaksemme sisältöä. Käyttämällä tätä sivustoa hyväksyt evästeiden käytön. Tietosuojakäytäntö
Hylätä Hyväksyä